无刷直流电机

Tony

直流无刷电机区别于直流有刷的电机的碳刷换向,而是通过改变电流方向来达到改变磁极的目的。直流无刷电机的转子是永磁体,而定子则是绕柱线圈

无刷电机示意图
无刷电机示意图

上图是一个三相无刷电机的示例图,他共有三组线圈(U, V, W),我们可以控制电流从其中两相的流向,改变中间定子电磁极,继而持续推动电机旋转。

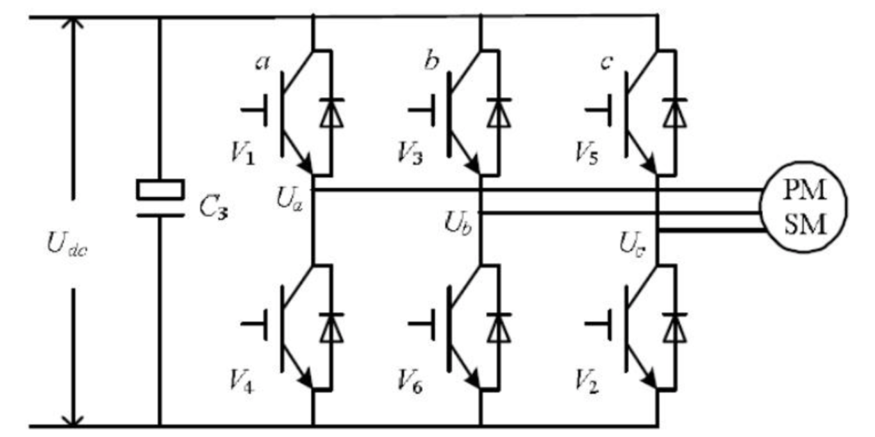
驱动电路——三相逆变电路

为了控制三相直流无刷电机,我们需要一个电路让我们可以持续变换不同端点间的电流方向。而这个电路就是有三个半桥电路组成的三相逆变电路

三相逆变电路
三相逆变电路

通过控制6个MOS 管的开关,我们便可以将输出的的直流电编程,BLDC 需要的三相交流电

参考

On this page
无刷直流电机