RC振荡器

Tony

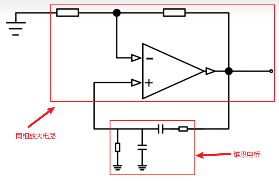
RC振荡器(Resistor-Capacitor Oscillator/RC Oscillator),是给单片机,时钟信号的一种电路。其中应用最为广泛的是维恩电桥振荡器

维恩电桥振荡器电路
维恩电桥振荡器电路

我们可以通过调整同相放大电路的两个电阻的比值来控制放大的比例,假设左边的电阻为,右边的为

韦恩电桥

韦恩电桥是由一个滞后电路和一个超前电路组成,两相抵消,我们就可以保证其输入和输出是同相的

韦恩电桥拆解
韦恩电桥拆解

其作用则是让我们可以选择放大的信号的频率。同样我们可以通过调节电容和电阻的阻抗来改变筛选的频率

参考

On this page
RC振荡器